第二章 装修石材
【学习重点】
了解天然石材和人造石材的种类特点及用途;掌握石材在室内空间中不同部位的构造方法。
第一节 天然石材的加工
采石场采集出来的天然石材不能直接用于建筑装饰装修,还需要经过一系列加工处理,使其成为各类板材或特殊形状、规格的产品。
一、天然石材的分类
天然石材源于岩石之中。根据地质形成条件的不同,有火成岩、沉积岩和变质岩三种基本类型的岩石,每种类型的岩石在结构和材质上都有一定的差异。
二、天然石材的加工
天然石材的加工主要包括锯切和表面处理。
1. 锯切
锯切是用各类机械设备将石料锯成板材的作业方式。
锯切的常用设备主要有框架锯(排锯)、盘式锯、沙锯、钢丝绳锯等。锯切较坚硬石材(如花岗石等)或规格较大的石料时,常用框架锯;锯切中等硬度以下的小规格石料时,则可以采用盘式锯。
2. 表面加工
经锯切后的板材,表面质量通常不能达到装饰用途的要求。因此,根据实际需要,板材需进行不同形式的表面加工。天然石材的表面加工可分为:剁斧、机刨、烧毛、粗磨、磨光。
(1)剁斧

图2-1-1 各种剁斧表面效果01

图2-1-1 各种剁斧表面效果02
(2)机刨
经机械刨平,使石材表面平整,相互平行的刨切纹。与剁斧板材相比,表面质感较为细腻,用途与剁斧板材相似。
(3)烧毛
利用火焰喷射器对锯切后的花岗岩板材进行表面烘烧,烘烧后的板材用钢丝刷,刷去岩石碎片后,再用玻璃渣和水的混合液高压喷吹,或用手工研磨机研磨,使表面达到色彩沉稳、触感粗糙的效果。
(4)粗磨
经机械粗磨,使石材表面平滑但无光泽。粗磨的石材主要用于需柔光效果的墙面、柱面、台阶、基座等。
(5)磨光
又叫抛光。石材经机械精磨、抛光后,表面平整光亮,结构纹理清晰,颜色绚丽。磨光后的石材主要用于需高光泽度,表面平滑的墙面、台面、地面和柱面。
第二节 常用的天然饰面石材
在装饰装修工程中,常用的天然饰面石材主要有天然大理石和天然花岗岩两类。
一、天然大理石
所谓装饰装修用的天然大理石是广义大理石的总称,它属于碱性岩石,是指具有装饰效果的、中等硬度的各类碳酸盐、沉积岩和与其有关的变质岩。包括了大理岩、白云岩、灰岩、砂岩、页岩、板岩等。因其经不住酸雨的长年侵蚀,多用于室内。
1. 天然大理石的特征
①花纹自然,色彩丰富,色泽鲜润,材质细腻,装饰效果好。
②抗压强度较高,耐磨性较好,吸水率低,不变形,硬度中等,易加工。
③耐久性好,一般使用年限40 ~ 150年。
④抗风化性能较差,易与酸性物质发生反应,失去光泽,减弱装饰效果。
2. 天然大理石的品种
天然大理石的质地细腻,光泽柔润,具有较强的装饰性。天然大理石的类型有单色大理石、云灰大理石和彩花大理石,通常有自然多变的纹理,常用的大理石见图2-2-1。

图2-2-1 啡网纹(左)、大白花(中)、爵士白(右)

图2-2-1 挪威红(左)、大花绿(中)、黑金花(右)

图2-2-1 汉白玉(左)、金花米黄(中)、紫罗红(右)

图2-2-1 新米黄(左)、雪花白(中)、橙皮红(右)
3. 天然大理石板材的规格
天然大理石经过加工切割后,以各种规格和形状的板材应用于装饰装修工程中。按板材形状的不同,分为普型板(P×)、圆弧板(HM)和异型板(Y×)。
天然石板的板材可以加工成各种厚度,常用的厚度有20 mm及20 mm以上两种,可钻孔、锯槽,适用湿作业法和干挂法。近年来,随着加工工艺的不断改进,薄型板材也应用于装饰工程中,常见的厚度有7 mm、8 mm和10 mm等。具体尺寸见表2-1。

表2-1 天然大理石普型板的常用规格(单位:mm)
4. 天然大理石的应用
天然大理石是较高档的装饰装修材料,因其具有质地疏松、易碎等特点,主要用于建筑室内墙面、板面、台面、栏杆等部位的装饰装修,也有部分高档场所会选用质地较硬的天然大理石作地面铺贴,但用作地面铺贴时要注意适时地进行保养。除部分杂质少的大理石,如汉白玉等,大理石较少用于室外。
5. 文化石
近年来在装饰工程中使用的天然大理石,除常见的大理岩外,板石、板岩、砂岩等也被大量应用于各类室内空间中。这类石材保持着天然的色泽和自然的纹理,看似未经加工,但却蕴含着浓厚的自然气息,适应了人们崇尚自然和注重文化性的审美取向,因此,这类石材又被称为文化石。文化石主要有:板石、板岩、砂岩、石英岩、蘑菇石、艺术石、乱石。
二、天然花岗石
1. 天然花岗石的特征
天然花岗石具有独特的装饰效果,表面呈整体均粒状结构,具有色泽和深浅不同的斑点状花纹。石质坚硬致密,抗压强度高,吸水率小。耐酸、耐腐、耐磨、抗冻、耐久,一般使用寿命可达75 ~ 200年。硬度大,开采困难;质脆,为脆性材料;耐火性较差,当燃烧温度达到573℃和870℃时,石材爆裂,强度下降。
2. 天然花岗石的品种
天然花岗石结构致密,色彩丰富,纹理清晰,具有较高的装饰效果。
我国的天然花岗石品种约 300 多种,较有名的有:四川红、黑金沙、济南青、广西的岑溪红、福建灰色、山西的贵妃红、内蒙古的丰镇黑、河北的中国黑、山东的将军红等。进口的花岗石较有名的有:印度红、美国白麻、蓝钻、绿晶、巴西蓝、瑞典紫晶等(图2-2-2)。

图2-2-2 啡珠(左)、蓝珍珠(中)、黑金沙(右)

图2-2-2 伊泰绿(左)、瑞典紫晶(中)、印度红(右)

图2-2-2 福建635(左)、金麻石(中)、四川红(右)

图2-2-2 幻彩绿(左)、啡钻(中)、美国白麻(右)

图2-2-2 将军红(左)、幻彩红(中)、济南青(右)
3. 天然花岗石的应用
天然花岗石是一种较高档的装饰石材,不易风化变质,耐磨,坚硬,色泽可长久保持。因此常用于室内外装饰装修中的台阶、地面、墙面、立柱等部位以及家具工艺品中。
第三节 常用人造装饰石材
人造石材是用人工合成的方法,制成具有天然石材花纹和质感的新型装饰材料,又称合成石。由于天然石材开采困难、加工成本高,且部分石材含有放射性元素,在现代建筑装饰工程中逐渐被人造石所取代。人造石材以其生产工艺简便、产品重量轻、强度高、耐腐蚀、耐污染、施工方便等优点,在装饰装修工程中得到广泛使用。
一、人造石材的类型及特点
人造石材可分为树脂型人造石材、水泥型人造石材、复合型人造石材、烧结型人造石材。
1. 水泥型人造石材
水泥型人造石材是以水泥为粘结剂,砂为细骨料,碎大理石、花岗岩、工业废渣等为粗骨料,经配料、搅拌、成型、加压蒸养、磨光、抛光等工序制成。作为粘结剂的水泥因其矿物成分不同会直接影响人造石材成品的外观。采用铝酸盐水泥为粘结剂制成的人造大理石具有表面光泽度高、花纹耐久、抗风化、耐磨性和防潮性高等优点,水磨石、人造文化石多属此类。
2. 树脂型人造石材(亚克力)
树脂型人造石材是以有机树脂为胶结剂,与石粉、天然碎石、颜料及少量助剂等配制搅拌混合,经成型、固化、脱模、烘干、抛光等工艺制成,又称聚酯合成石,俗称亚克力。主要以人造大理石、人造花岗岩居多。此类产品光泽性好,颜色鲜艳。这是目前装饰装修工程中应用最多的人造石材。按成型工艺可分为:浇注成型聚酯合成石、压制成型聚酯合成石、人工成型聚酯合成石。
3. 复合型人造石材
复合型人造石材是先将无机填料用无机胶粘剂胶结成型、养护后,再将坯体浸渍于有机单体中,使其在一定条件下聚合。由于板材制品的底材采用无机材料,故性能稳定且价格低。其面层可采用大理石、大理石粉等制作,以获得最佳的装饰效果。
4. 烧结型人造石材
烧结型人造石材的生产工艺与陶瓷相似,是将石英、辉绿石、方解石等石粉及赤铁矿粉、高岭土等混合,以一定比例制成泥浆后,再以注浆法制成坯料,然后用半干压法成型,经 1 000℃左右的高温焙烧而成。此类制品性能接近于陶瓷,可采用镶贴瓷砖的方法进行施工。
二、常用人造石材饰面制品
1. 人造大理石
人造大理石是以不饱和聚酯树脂为胶结剂,石粉、石渣等为填料加工而成的一种人造石材,它模仿天然大理石表面肌理制成。具有重量轻、强度高、厚度薄、易加工、无色差、耐酸耐污等特点,且色调和花纹可按需要设计,易于加工成复杂的形状,因此被广泛应用于装饰装修工程中。
2. 人造花岗岩
人造花岗岩的工艺与人造大理石十分接近,其填料采用天然石质碎粒和深色颗粒,固化后经抛光。其内部石粒外露,通过不同色粒和颜料搭配,可生产出不同色泽和纹理,其外观极像天然花岗岩。
人造花岗岩不含有放射性元素,耐热、耐腐蚀性能优于天然花岗岩,其温度膨胀系数亦与混凝土相近,比天然花岗岩更不易开裂和剥落。主要用于高档装饰装修工程中。
3. 环氧磨石
环氧磨石地坪能展现现代建筑独特风格的高装饰性,其地坪整体无缝,精选多种特色的天然鹅卵石、五彩石、大理石、彩色玻璃颗粒、金属颗粒、贝壳等装饰性骨材与高分子树脂材料相混合。环氧磨石经打磨、抛光等特殊工艺现场施工而成后,还可根据要求分割出不同颜色、不同风格的优美图案,多彩的颜色可满足独到的设计需要,同时又具备天然大理石的特点。
环氧磨石地坪适用于机场、商场、医院、展厅、走廊、高级娱乐场所、博览会馆、商务会所和其他一些需要美观耐磨地面的场所。
4. 人造透光石
人造透光石制作原理与人造大理石相似,厚度较薄,一般为 5 mm 左右,具有透光不透视的效果,装饰效果好。它主要以树脂为粘结剂,加以天然石粉和玻璃粉以及其他辅助原料,经过一系列工序聚合而成。具有质轻、硬度高、防火、耐污、抗老化、无辐射、抗渗透、耐腐蚀,以及其规格、厚薄、透光性均可任意调制,切割、钻孔、粘结方便等优点。

图2-3-2 人造透光石
5. 微晶石
微晶石又称微晶玻璃、微晶陶瓷、结晶化玻璃,是由一定组成的玻璃颗粒经高温烧结晶化而成的材料。它既有特殊的微晶结构,又有玻璃基质结构,质地坚实且细腻均匀,外观晶莹亮丽柔美。微晶石吸水率低,不易受污染,耐候性优良。比天然石材更坚硬耐磨,不含放射性元素,可弯曲成型。
常用微晶石板材的规格(mm)主要有:
3200×1400×20,2400×1200×11/20/30,800×800×11/20/30,600×600×11/20/30,400×400×11/20/30,300×300×11/20/30。

图2-3-3 微晶玻璃
6. 大理石复合板
(1)特点
① 重量轻、强度高。
② 抗污染能力提高。
③ 安装方便。
④ 扩大了大理石的装饰部位。
⑤ 隔音、防潮。
⑥ 节能、降耗。
⑦ 降低成本。
(2)生产工艺
① 先将大理石板两面用胶粘在两块花岗岩板(或镜面板、铝蜂窝板、玻璃板等)中间,形成“三明治”;
② 待粘牢固后,将大理石板从中间剖切为两块;
③ 分别将一剖为二的切面打磨成所需要的光洁程度。
(3)用途
大理石复合板因其复合的底板不同,其性能特点有了较大的区别。根据不同的使用要求和使用部位就要采用不同底板的复合板。
① 底板用大理石、瓷砖、花岗石、硅酸钙板的大理石复合板:使用范围几乎与通体板的相同。如果大楼有特殊的承重限制,这几种复合板就更有用武之地,因其不但重量轻,强度也提高了许多。
② 底板用铝塑板的大理石复合板:因其超薄与超轻的性能,适用于墙面与天花板的装饰。而且在施工过程中要用胶水粘贴,在装饰天花板的时候是其他石材无可代替的。铝塑板的特殊性能使该复合板在外墙、内墙的干挂用途上更加具备用武之地,一般用于大型、高档的建筑,如机场、展览馆、五星级酒店等,同时也可做成台面板、餐桌与厨柜等,而且还可以做成孤形复合板,用在建筑内墙、游轮和游艇上。因其抗弯强度较弱,抗压强度较高的特点,又因其超轻性能,一般用于墙面的装饰,既可用干挂安装,也可用特殊胶水粘贴。
③ 底板用玻璃的大理石复合板:因大理石天然材质的性能,其中有一部分拥有非常好的透光性,用这些大理石与玻璃复合,可以达到透光的装饰效果,一般使用干挂和镶嵌方式安装,里面也可安装不同颜色的彩灯,再配上音乐,会产生梦幻般的效果。同时,可配上一些夜光材料,在没有灯光的情况下,它仍能闪烁出绚丽的光线。
④ 底板用复合木板的大理石复合板:复合木板的品种很多,选择不同的木板作底板,其产品性能也各异,可用在墙面的装饰和各种家具上。
第四节 石材饰面的构造
石材饰面板可应用于室内外各界面的不同部位,其尺寸规格也根据实际需要而异,因此,石材的安装施工构造作法亦各有不同。
一、石材的墙面饰面构造
石材饰面板安装于墙面时,根据石材自身的重量、尺寸等条件,通常采用的构造方法包括:聚酯砂浆固定法、树脂胶粘贴法、灌挂固定法和干挂法四种。
1. 聚酯砂浆固定法(图2-4-1)
(1)基层抹底灰
底灰为 1∶3 的水泥砂浆,厚度 15 mm,分两遍抹平。
(2)铺贴石材
先做粘结砂浆层,厚度应不小于 10 mm。砂浆可用 1∶2.5 水泥砂浆,也可用 1∶0.2∶2.5 的水泥石灰混合砂浆,如在 1∶2.5 水泥砂浆中加入 5% ~ 10% 的 107 胶,粘贴效果则更好。
(3)做面层细部处理
在石材贴好后,用 1∶1 水泥细砂浆填缝,再用白水泥勾缝,最后清理石材的表面。
如图2-4-1 所示。

图2-4-1 聚酯砂浆固定法
2. 树脂胶粘贴法(图2-4-2)
树脂胶粘贴法同样也仅适用于小块面、小范围的石材安装。
在墙基层清理、打毛处理的基础上,将胶粘剂涂在板材的相应位置(用量应针对使用部位受力情况布置,以牢固结合为原则,尤其是对悬空的板材用胶量必须饱满)。
将带胶粘剂的板材粘贴,并挤紧、压平、扶直,随后即进行固定。
待胶粘剂固化,石材完全粘贴牢后,拆除固定支架。粘贴法示意如图 2-4-2 所示。

图2-4-2 树脂胶粘贴法

图2-4-2 树脂胶粘贴法
3. 灌挂固定法
灌挂固定法是一种“双保险”的做法,在饰面安装时,既用水泥砂浆等作灌注固定,又通过各种钢件或配用的钢筋网,在板材与墙体之间、板材与板材之间进行加强连接固定。
这种固定方法,通常在板材与板材之间,是通过钢筋、扒钉等相连接。在板材与墙体之间,对厚板用系钢件等扁条连接件固定,对薄板则用预埋在墙体中的 U 型钢件固定,然后将配置的钢筋网用铅丝或铜丝扎紧。
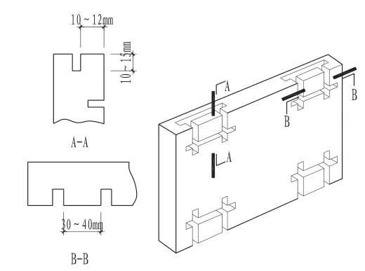
4. 干挂法(又称螺栓和卡具固定法)
干挂法是在基层的适当部位放置 5# 角钢,用金属膨胀螺栓与墙体固定,竖向主龙骨采用8# 槽钢,横向次龙骨采用 5# 角钢,安装前打好孔,用于安装与石材板相连接的不锈钢干挂件。在饰面石材的底侧面上开槽钻孔,然后用干挂件与石材固定(图 2-4-3),另外也可用金属型材卡紧固定,最后进行勾缝和压缝处理。

图2-4-3 不锈钢干挂件

图2-4-3 石材的干挂结构
二、石材的柱面饰面构造
石材柱面的饰面构造与墙面构造基本一致,但柱面面积相对较小,因此除采用干挂、粘贴法之外,亦可采用钢筋网绑扎法。钢筋网绑扎法施工较为简便,是一种较传统的铺贴石材的施工方法;缺点是易在接缝处产生泛碱问题。钢筋网绑扎的施工程序大体如下:
设置钢筋网→试拼编号→板材背面开槽→绑扎板材→找平吊直并临时固定→灌浆→养护→嵌缝。
1. 钢筋网绑扎法
(1)设置钢筋网
如柱面上设有预埋件时,用铜丝或不锈钢丝按施工图将钢筋制成钢筋骨架,固定于基体上。当柱面没有预埋件时,可在柱面上钻孔,并在孔内安放膨胀螺栓,再用电焊将钢筋与螺栓焊牢。
(2)绑扎板材(图2-4-4)
用切割机在板材背面分别开四角开槽(图2-4-4),穿插和固定好铜丝或不锈钢丝。

图2-4-4 板材背面槽口形式
(3)安装板材
安装时可按顺时针,从正面开始由下向上逐层安装,并用靠尺板找垂直,用水平尺找平整,用方尺找好阴阳角,紧固钢(铜)丝。板缝用石膏填塞,以防止板材移位和砂浆发生泌浆。灌浆时应根据板材颜色调制水泥砂浆,如浅色石材灌浆时应采用白水泥,以使板材底色不受影响。
(4)嵌缝
板材安装完毕后,应清除板缝间多余的粉尘,用与板材底色相近的水泥浆进行嵌缝。对于镜面石材,如面层光泽受到影响,应重新打蜡上光。
2. 干挂法
干挂法就是用特制的不锈钢挂件,将石材固定在基体上的一种施工方法,这种方法不需要用水泥砂浆灌注或水泥镶贴,方便简捷。具体做法是直接在石板上打孔、开槽,然后用不锈钢连接件、角钢与埋在柱体内的膨胀螺栓直接相连而成。
三、石材的地面饰面构造
石材地面铺设的基本构造方法是:在混凝土基层表面刷素水泥一道,随即铺15 ~ 20 mm厚的1∶3干性水泥砂浆找平层,然后按定位线铺石材,待干硬后再用白水泥稠浆填缝嵌实。
第三章 装修陶瓷
【学习重点】
了解装修陶瓷的种类、特点以及适用范围;掌握陶瓷制品在室内空间中不同部位的构造方法。
第一节 陶瓷的种类及特点
陶瓷可以分为陶器、瓷器和炻器三类。陶器吸水率较大,断面粗糙无光泽,不透明,可施釉也可不施釉。瓷器基本不吸水,强度高,坯体致密,耐磨,半透明,通常施釉。炻器也称半瓷,是介于陶器与瓷器之间的产品。与陶器相比,炻器坯体较密实,孔隙率低;与瓷器相比,炻器多带颜色且具有不透明,成本低,热稳定性好。
第二节 陶瓷装修制品
在室内装饰装修工程中,陶瓷制品主要分为陶瓷面砖、琉璃制品和卫生陶瓷制品三大类。
一、陶瓷面砖
陶瓷面砖是当前室内装饰装修工程中应用非常广泛的材料,主要有釉面内墙砖、墙地砖。
1.釉面内墙砖
釉面内墙砖又名釉面砖、瓷砖、瓷片、釉面陶土砖,它属于精陶制品,具有颜色丰富典雅、表面光滑、耐急冷热、防火、耐腐蚀、防潮、不透水、抗污染且易清洁等优点。主要用于厨房、浴室、卫生间、实验室、手术室、精密仪器车间等用水场所的室内墙面。
釉面砖正面施釉,背面有凹凸纹,便于粘贴。釉面砖易冻融,并导致剥落,不适用于室外。由于釉面砖吸水率较大(通常> 10%),内部多孔,强度不高,因此亦不适合用于地面装饰。
釉面砖按形状分,有正方形砖、长方形砖和异形配件砖等。按色彩图案分,有单色砖、花色砖、图案砖等。
2.墙地砖
墙地砖是以优质陶土或瓷土为主要原料,经高温焙烧而成,可用于建筑室内外墙面、地面等,适用范围广泛。其具有结构致密、孔隙率低、吸水率低、强度高、硬度高、耐冲击、防水、防火、抗冻、耐急冷急热、不易起尘易清洁、色彩图案丰富、装饰效果好等特点。
墙地砖按表面装饰分有:无釉墙地砖、有釉墙地砖;按材质分有:炻质砖、细炻砖、炻瓷砖、瓷质砖;按表面质感分有:平面、麻面、毛面、磨光面、抛光面、纹点面、耐磨面、玻化瓷面、金属光泽面、仿真大理石面等(图3-2-2)。

图3-2-2

图3-2-2

图3-2-2

图3-2-2
1)玻化砖
玻化砖又称金瓷玻化砖、玻化瓷砖,属于瓷质砖,采用优质瓷土经高温焙烧而成,结构非常致密,吸水率≤ 0.5%。玻化砖质地坚硬、具有高光度、高硬度、高耐磨、吸水率低、色差少、规格多等优点。表面不上釉,具有玻璃光泽,装饰效果好(图 3-2-3)。

图 3-2-3 玻化砖作地面饰面
玻化砖有优等品、合格品两个质量等级。
玻化砖主要用于室内外墙面、地面、窗台板、台面及背栓式幕墙等装饰。
常用规格:400×400 mm、500×500 mm、600×600 mm、800×800 mm、900×900 mm、1 000×1 000 mm。
2)彩釉砖
彩釉砖是指有釉墙地砖,又称釉面外墙砖或釉面陶瓷墙地砖。其表面与釉面内墙砖相似,表面均施釉,具有色彩丰富、光洁明亮、装饰效果好的特性;与釉面砖不同之处在于,釉面砖是多孔结构,而彩釉砖结构致密、抗压强度高、坚固耐用、易清洁、吸水率低(< 10%)。利用配料和制作工艺的不同可制成多种具有不同表面质感的品种。彩釉砖属于炻质砖和细炻砖范畴,具有较好的防滑性能。
常见彩釉砖品种有仿古砖(图 3-2-4)、渗花砖、金属光泽彩釉砖等,可用于各类建筑的室内外墙面及地面装饰。
图 3-2-4 仿古砖

图 3-2-4 仿古砖

图 3-2-4 仿古砖

图 3-2-4 仿古砖
3)麻面砖
麻面砖是采用仿天然岩石色彩配料,压制成表面凹凸不平麻面坯体,干燥后经一次烧成的炻瓷砖。砖的表面酷似人工修凿过的天然岩石面,纹理自然,粗犷雅朴,有白、黄、红、灰、黑等多种色调,吸水率< 1%,抗折强度大于 20 Mpa,防滑耐磨。
薄型麻面砖适用于建筑物外墙饰面,厚型麻面砖适用于广场、停车场、码头、人行道等地面铺设。
4)陶瓷锦砖
陶瓷锦砖又称陶瓷马赛克,以优质瓷土烧制而成。分有釉、无釉两种。陶瓷锦砖一般做成边长不大于 40 mm 的小块,按设计可拼成各式图案,具有独特的装饰效果。
(1)特点
质地坚硬、吸水率低、强度高、耐磨、耐腐、耐水、易清洗、不褪色、抗火、抗冻、形状色彩多,可按设计拼图,具有独特装饰效果。
(2)用途
可用于门厅、走廊、卫生间、餐厅、花园、浴室、游泳池及居室的内墙和地面装修,也可用于外墙地面。
在建筑装修中,墙地砖用途非常广泛,除了上述应用之外,墙地砖还广泛用作腰线砖、踢角线砖。
5)瓷抛砖
瓷抛砖是陶瓷墙地砖的创新品类之一,其表面为瓷质材料,经印刷装饰,高温烧结,表面抛光处理而成。与表面为玻璃质材料(如釉抛砖、抛晶砖等)的陶瓷墙地砖相比,瓷抛砖具有以下特点:
① 温润质感。新型瓷质面材,令瓷质表面温润厚重,表面面料与花岗石、大理石组成类似,但在材质硬度和耐酸性上较普通石材更胜一筹。
② 仿石质感。具有渗透性的喷墨墨水,在面料中引入助色材料,数码喷墨渗透工艺,立体呈现逼真仿石质感。
③ 通体质感。瓷抛砖采用新型装饰工艺与手法,研发通体一次布料技术,使产品在外观上具有通体感。
④ 耐磨耐污。通过新材料运用,瓷抛砖与表面为玻璃质材料(如釉抛砖、抛晶砖等)的陶瓷墙地砖相比,具有更高的耐磨特性与耐污性。
瓷抛砖适用于各类建筑物的内外墙、地面装饰。
6)石英石砖
石英石砖是石英含量为 93% 以上的石英石板材之一(图 3-2-8)。石英是一种物理性能和化学性能均十分稳定的矿产,由石英为主要成分生产的石英石板、砖优点明显。
① 无毒无辐射。石英石的表面光滑平整,也无划痕滞留,致密无孔的材料结构使得细菌无处藏身,可与食物直接接触,安全无毒。优质的石英石采用精选的天然石英结晶矿产,其 SiO2 的含量超过 99.9%,并在制造过程中去杂提纯,原料中不含任何可能导致辐射的重金属杂质,94%的石英结晶体和其他的树脂添加剂使得石英石没有辐射污染的危险。
② 天然的石英结晶是典型的耐火材料,其熔点高达 1 300 摄氏度以上,94% 天然石英制成的石英石完全阻燃,不会因接触高温而导致燃烧,也具备人造石等无法比拟的耐高温特性。
③ 石英石是在真空条件下制造的表里如一、致密无孔的复合材料,其石英表面对酸碱等有极好的抗腐蚀能力。
④ 石英石的石英含量高达 94%,石英晶体是自然界中硬度仅次于钻石的天然矿物,其表面硬度可高达莫氏硬度 7.5,光泽亮丽的表面是经过 30 多道复杂的抛光处理工艺,不会被刀铲刮伤,不会为液体物质渗透,不会产生发黄和变色等问题,日常的清洁只需用清水冲洗即可,无需特别的维护和保养。
7)薄瓷板
由于陶瓷原料资源过度消耗,加上能源紧缺、环境污染等因素制约,建筑陶瓷企业的生产成本和环保压力必将日益增大,开发和应用“资源节约型、环境友好型”的薄瓷板产品已成为建筑陶瓷产业可持续发展的必然选择。
薄瓷板是一种绿色生态、节源降耗、耐候、耐用的全瓷质的饰面板型材料,产品规格尺寸齐全:从 300/600、400/800、500/1 000、600/1 200、750/1 500、800/1 600、900/1 800 到 1 000/2 000、1 200/2 400(3 600)mm 等,产品色彩、纹路、质感、光泽及规格、厚度等均可定制。
3.劈裂砖
劈裂砖又称劈离砖、双合砖,是将粘土、页岩、耐火土等原料,按一定配比,经粉碎、炼泥、成型、高温焙烧等工序制成。由于成型时是双砖背联的坯体,焙烧后再劈离成两块砖,故称为劈裂砖。
劈裂砖色彩丰富,坯体密实,具有自然断口,装饰效果好。分彩釉和无釉两种,表面上釉的光泽晶莹;无釉的,质朴大方。
(1)特性
质感强、吸水率低(≤ 6%)、强度高、防潮、防腐、耐急冷急热、耐酸、耐碱、防滑抗冻。
(2)用途
可用作建筑外墙面装修和室内外地面,广场、停车场、人行道地面以及浴室、池岸的铺装。
二、建筑琉璃制品
建筑琉璃制品属于精陶制品,是以难熔黏土为原料,经配料、成型、干燥、素烧、表面施琉璃釉、烧结等工序制作而成。琉璃制品具有质地致密、表面光滑、不易沾污、经久耐用、色彩丰富、极具中国传统建筑构造的特征。
琉璃制品的品种主要有琉璃瓦、琉璃砖、琉璃兽、琉璃花窗、栏杆等装饰制品,以及琉璃桌、绣墩、花盆、花瓶等陈设用工艺品,另外还有琉璃壁画等。
按用途可分为传统建筑琉璃制品和现代建筑琉璃制品。前者多用于我国古典建筑中的构件和屋面,后者主要用于现代建筑中室内外立面的装饰装修。
三、卫生陶瓷制品
卫生陶瓷是指由黏土、石英粉、长石粉等原料经注浆成型和烧制施釉一系列制作而成的卫生洁具及配件。它具有结构致密、气孔率小、吸水率小、耐腐、易清洁、热稳定性好等特点,多用于厨房、卫生间、实验室等空间。
常用的陶瓷洁具有洗面器、便器、洗涤器、浴缸等。
第三节 装修陶瓷的构造
陶瓷种类多样,各品种之间各有特色和优点,应用范围亦有所差别。但由于其组成原料基本相似,所以在安装构造做法上也基本相同,大致分为湿贴法和干挂法两大类别。
1.墙面砖湿贴法
(1)基层抹底灰
底灰为 1∶3 的水泥砂浆,厚度 15 mm,分两遍抹平。
(2)铺贴面砖
先做粘结砂浆层,厚度应不小于 10 mm。砂浆可用 1∶2.5 的水泥砂浆,也可用 1∶0.2∶2.5的水泥石灰混合砂浆,如在 1∶2.5 水泥砂浆中加入 5% ~ 10% 的 107 胶,粘贴效果则更好。
(3)做面层细部处理
在瓷砖贴好后,用 1∶1 水泥细砂浆填缝,再用白水泥勾缝,最后清理面砖的表面。
2.墙面砖干挂法
墙面砖采用干挂法进行安装时,需要在基层的适当部位放置 4# 角钢连接件,用 M10 金属膨胀螺栓与墙体固定,竖向主龙骨采用 6# 槽钢,横向次龙骨采用 4# 角钢,安装前打好孔,用于安装与墙砖相连接的不锈钢背栓干挂件。在饰面墙砖的底面上开槽钻孔,然后用背栓干挂件和墙砖膨胀固定,最后进行勾缝和压缝处理。
